铭帝铝业
  • 网站首页
  • 走进铭帝
    • 企业简介
    • 董事长致辞
    • 企业文化
    • 资质荣誉
    • 生产设备
  • 新闻中心
    • 全部
    • 公司动态
    • 行业资讯
    • 员工活动
    • 视频
  • 产品解决方案
    • 全部
    • 家装
      • 室内推拉系列
      • 室内平开系列
      • 防盗节能系列
      • 铝木系列
      • 护栏扶手
      • 豪华大门
    • 工程
      • 节能平开系列
      • 节能推拉系列
      • 普铝平开
      • 普铝推拉
      • 商铺门、单元门
      • 百叶、隔断等
    • 阳光房 葡萄架
    • 幕墙
    • 工业材
    • 木纹产品
    • 产品图集
  • 工程案例
    • 全部
    • 西北地区
      • 甘肃
      • 青海
      • 宁夏
      • 陕西
      • 新疆
    • 华北地区
      • 北京
      • 天津
      • 山西
      • 河北
      • 内蒙古
    • 西南地区
      • 西藏
      • 四川
      • 重庆
      • 贵州
      • 云南
    • 华中地区
      • 河南
      • 湖北
      • 湖南
    • 华东地区
      • 上海
      • 山东
      • 江苏
      • 安徽
      • 浙江
      • 福建
      • 江西
      • 台湾
    • 华南地区
      • 广东
      • 广西
      • 海南
      • 香港
      • 澳门
  • 招商加盟
    • 经销商查询
    • 经销商门店
    • 招商加盟
      • 招商区域
      • 加盟流程
      • 加盟条件
      • 加盟支持
  • 联系我们
  • English
  1. 网站首页
  2. 新闻中心
    • 全部
    • 公司动态
    • 行业资讯
    • 员工活动
    • 视频
  3. 公司动态

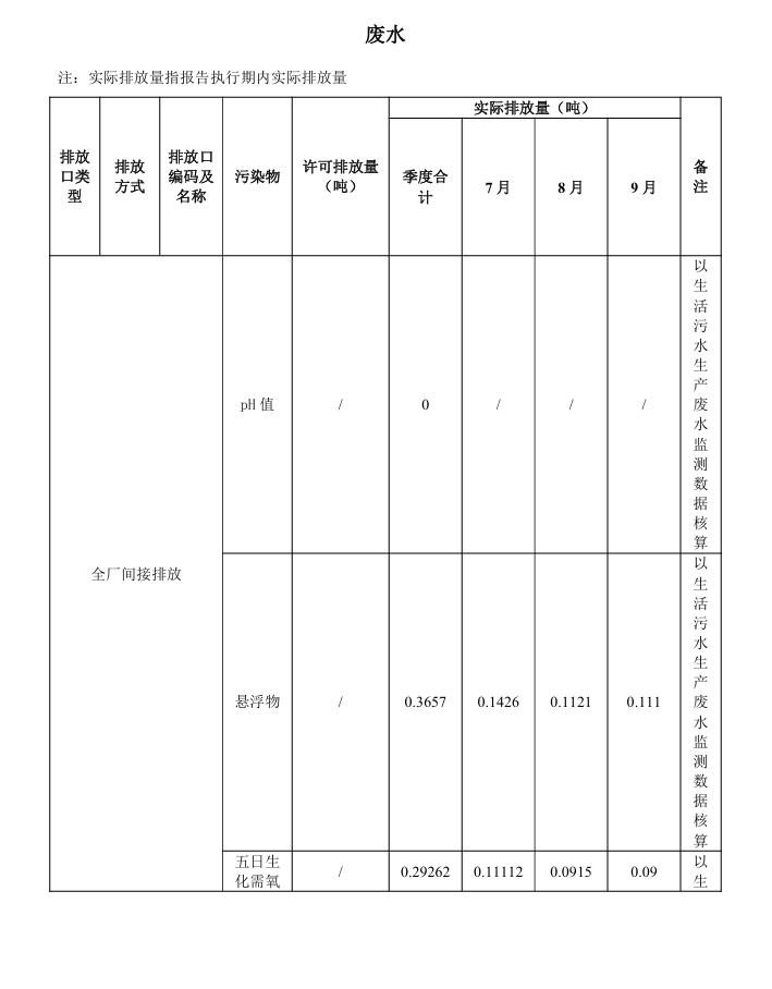
铭帝集团24年3季度排污许可报告

2024-10-12 12:25:11 admin 60

铭帝铝业

铭帝铝业

铭帝铝业

铭帝铝业

铭帝铝业

铭帝铝业

铭帝铝业

铭帝铝业


  • 上一篇 :铭帝集团2024年一季度排污许可证执行报..
  • 下一篇 :2024年2季度排污许可证执行报告

新闻中心

  • 所有文章
  • 公司动态196
  • 行业资讯52
  • 员工活动29
  • 视频3

为您推荐

  • 铭帝集团2025年三季度排污许可执行报告
  • 铭帝集团2025年二季度排污许可证执行报告
  • 铭帝集团2025年一季度排污许可证执行报告
  • 铭帝集团有限公司2号立式粉末喷涂生产线验收报告
  • 铭帝集团扩建项目安全验收评审专家意见

热门推荐

工业材散热器 工业材散热器
工业材散热器 工业材散热器
工业材汇流排 工业材汇流排
工业材 工业材
工业材 工业材
工业材 工业材

                                                                                                                            铭帝铝业     服务热线:400 0086 333 

兰州铭帝铝业有限公司

地 址:中国.甘肃.兰州市七里河区八里窑239号

电 话:0931-2611556 2612267

传 真:0931-2614000

邮 编:730058   

四川铭帝铝业有限公司

地 址:中国.四川.夹江县甘霖镇大石桥村12社

电 话: 0833-5601503 5602236

传 真: 0833-5601966

邮 编:614100

铭帝集团有限公司 

地 址:中国.陕西.铜川市耀州区董家河工业园区

电 话: 0919-6982333

传 真: 0919-6986818

邮 编:727100

©2016 铭帝铝业  mingdigrp  版权所有

陕ICP备2023018974号备案图标 (1).png甘公网安备:62010302000604

技术支持: 铭帝铝业
  • 简体中文
  • English